Direkt zum Seiteninhalt

Kundenerfolge - Waraeger-Maschinenbau.ch

Menü überspringen
Title
Menü überspringen
Unsere Arbeitsweise:  Sicher + Zuverlässig
Hallenkran für landwirtschaftliches Gebäude
Auslegung, Konstruktion, Fertigung und Montage eines Hallenkranes für den Einbau in eine Scheune zum Verstauen von Maschinen und Material im Obergeschoss

Die Anforderungen:
  • Verfahrbereich 16m
  • Schienenweite 4.6m
  • Hubkraft 2.000kg
  • Hubhöhe 8.7m
  • Laufkatze nicht erforderlich
  • Funkfernbedienung
Konstruktion und Auslegung mit 3D-CAD und FEM-Berechnung


Erstellen von Einzelteilzeichnung für die Produktion
Sende jetzt deine Anfrage!













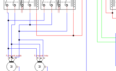
Erstellen von Stromlaufplänen für die Steuerung





Fertigung und Zusammenbau der einzelnen Komponenten





Montage im Gebäude
Es sind 2 Schneckengetriebe-Motoren mit je 2 kW verbaut. Die elektrische Seilwinde stammt vom Kunden. Wir erledigten auch den Umbau von einfacher Steuerbirne auf Funkfernsteuerung.


Von der Auftragsvergabe bis zur Fertigstellung vergingen 2 Wochen.

___________________________________________
Aufspindeln eines 50ccm Motorgehäuses




Aufspindeln des Gehäuses für 80ccm - Rennzylinder.




Zwei abgebrochene Stehbolzen entfernen und neue Einsetzen.

___________________________________________
Pfeiffenhalter für`s Auto




Design 3D Druck eines Pfeiffenhalters im Auto für elektrische Pfeiffe

___________________________________________
Restauration einer Traktor - Kabine
Angeliefert wurde von unserem Kunden eine Kabine eines Traktors mit Brandschaden. Unsere Aufgabe war es, diese zu restaurieren und aufzuwerten.


Die Anforderungen:
  • Neue Kotflügel anbringen
  • Innenraum neu gestalten
  • Gebläse + Radio einbauen
  • lackieren

___________________________________________
Hydraulische Tiefeneinstellung für Kreiselegge
Anstelle von Absteckbolzen soll die Einstellung der Arbeitstiefe mittels zwei Hydraulikzylinder gelöst werden. So kann der Fahrer, ohne abzusteigen, während der Fahrt die Arbeitstiefe der Kreiselegge anpassen


Die Anforderungen:
  • Ersatz des bisherigen Tiefenführungs-Gestänges durch zwei Hydraulikzylinder
  • Montage und Funktionskontrolle

___________________________________________
Mulde für Mini-Dumper
Herstellung einer neuen Mulde für einen Mini-Dumper


Die Anforderungen:
  • Abmessungen feststellen
  • Konstruktion
  • Fertigung der Einzelteile (Plasmaschneiden, Kanten)
  • Mulde Schweissen

___________________________________________
Zurück zum Seiteninhalt